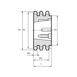
Konik kilitleme dişlileri, konik bir göbek tasarımına ve buna karşılık gelen konik bir deliğe sahip dişlilerdir.