tripleks konik kilit dişlileri 16B-3 ISO makaralı zincir standardı

Bu tasarım, konik bir göbek ve buna karşılık gelen konik bir delik kullanır, bu da dişlinin konik kilitleme burçları kullanılarak boşluk oluşturmadan mile güvenli bir şekilde monte edilmesini sağlar.
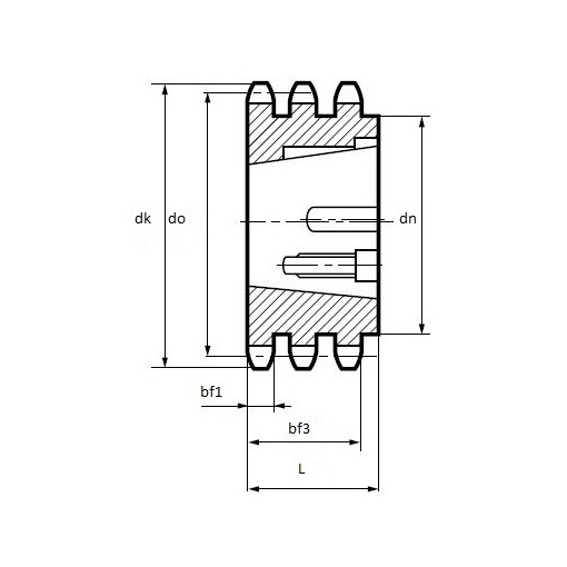
Model: B tipi 16B-3 konik kilit dişlisi
Malzeme: C45, paslanmaz çelik, sertleştirilmiş çelik, vb.
Yüzey işleme: Dişler sertleştirilmiş, Siyah oksit, Çinko kaplama, Elektroforez vb.

Açıklama

Konik Kilitleme Burcu Dişlisizincir dişlisi göbeği ile şaft arasında sağlam bir mekanik girişim uyumu sunarak sorunsuz ve verimli güç aktarımı için güçlü ve güvenilir bir bağlantı sağlar. Bu tasarım enerji kaybını en aza indirir ve genel sistem verimliliğini artırır.

Temel Özellikler

  • Mekanik Parazit Uyumu:Üstün güvenilirlik ve daha az kayma için dişli göbeği ve mili güvenli bir şekilde bağlar.
  • Verimli Güç İletimi:Hassas diş şekillendirme sayesinde daha az sürtünme ve gürültü ile sorunsuz çalışma.
  • Uzun Hizmet Ömrü:Dayanıklı malzemeler ve tasarım, zincir dişlilerinin ve zincirlerin ömrünü uzatarak arıza süresini ve bakım maliyetlerini en aza indirir.
  • Malzeme Seçenekleri:
    • C45 Çelik:Genel uygulamalar için güç ve ekonomiyi dengeler.
    • Paslanmaz Çelik:Mükemmel korozyon direnci – zorlu ortamlar için idealdir.
    • Sertleştirilmiş Çelik:Gelişmiş aşınma direnci ve dayanıklılık için ısıl işlem uygulanmıştır.
  • Azaltılmış Bakım:Daha az değiştirme gerektirerek genel işletme maliyetlerini düşürür.

Teknik Özellikler

  • ISO-No:16B-3 (1″ x 17,02mm)
  • Pitch:25,4 mm
  • İç Genişlik:17,02 mm
  • Silindir Çapı:15,88 mm
  • Diş Genişliği:79,6 mm
  • Ba:2,5 mm (yarıçap genişliği)
  • Rx:26,0 mm (min. diş yarıçapı)

Avantajlar

  • Yüksek performanslı sistemler için güçlü ve güvenilir bağlantı
  • Daha sorunsuz çalışma için azaltılmış sürtünme ve gürültü
  • Daha uzun hizmet ömrü ve daha düşük bakım maliyetleri
  • Çeşitli ortamlara uygun çok yönlü malzeme seçenekleri

Zorlu uygulamalarda üstün dayanıklılık, verimli güç aktarımı ve düşük bakım için Konik Kilitli Burç Dişlimizi seçin.

Teknik Parametreler

tripleks konik kilit dişlileri 16B-3 teknik tablo

tripleks konik kilit dişlileri 16B-3 teknik tablo